产品中心
新闻资讯
晶振输出波形与测试电路
1时序表

2.测试条件
(1)电源电压
?超过 150µs,直到电压级别从 0 %达到 90 % 。
?电源电压阻抗低于电阻 2Ω。
(2)其他
?输入电容低于 15 pF
?5倍频率范围或更多测量频率。
?铅探头应尽可能短。
?测量频率时,探头阻抗将高于 1MΩ。当波形经过振荡器的放大器时,可同时进行测量。
(3)其他
?CL包含探头电容。
?应使用带有小的内部阻抗的电表。
?使用微型插槽,以观察波形。
(请勿使用该探头的长接地线。)

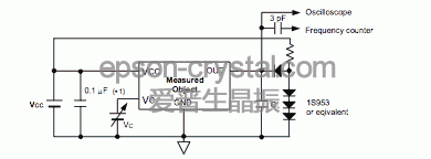
3.测试电路

TCO-****系列 VG, TG, EG,XG系列 *1 :在频率电压控制功能时,进行连接
| (1)CMOS 负载 型号: TCO-710x TCO-708*X1A |
![]() |
| (2) 抗低,电容负载 型号: TG-5021CG/CE TG-5031CJ TG-5035CG/CE/CJ |
![]() |
| (3) TTL 负载 型号: TCO-708*A1A |
![]() |
| (4) LV-PECL 负载 型号: VG-4512CA |
![]() |
| (5)LV-PECL 负载 型号: EG-2121CB/CA XG-2121CA EG-4121CA |
![]() |
| (6) LV-PECL 负载 型号: EG-2102CB/CA XG-2102CA EG-2101CA EG-4101CA EA-2102CB |
![]() |
| (7) LVDS 负载 型号: EG-2121/2102CB XG-2121/2102CA EG-2121/2102CA EG-2101CA EG-4121/4101CA EA-2102CB |
![]() |
| (8) HCSL 负载 型号: EG-2121/2102CA EG-4121/4101CA |
![]() |
常见问题
-
2020-10-10爱普生晶振样品-EPSON贴片晶振样品免费申请
-
2020-10-10爱普生晶振样品-EPSON贴片晶振样品免费申请
-
2020-10-10无源晶振不起振的解决办法
-
2020-10-10EPSON/爱普生晶振编码规则与型号识别
-
2020-10-10爱普生电子元器件都生产哪些产品
-
2020-10-10精工爱普生陀螺仪传感器简介
相关产品









终端请点